诺铂金属竞彩足球app手机版下载体彩竞猜-多件体彩竞猜工装夹具设计与应用。随着科技的进步, 机械体彩竞猜设备不断被优化改进,其体彩竞猜能力、体彩竞猜精度不断提高,机械体彩竞猜竞彩足球投注也随之向着高效精准的方向迈进,繁杂的竞彩足球投注步骤逐渐被优化减少,竞彩足球app手机版下载的机械体彩竞猜时间不断缩短,生产效率大幅度提高。但对于一些体彩竞猜竞彩足球投注简单的竞彩足球app手机版下载,按照传统体彩竞猜方法单件体彩竞猜,其主要工序体彩竞猜时间远远小于工件的装夹时间、刀具更换时间等辅助时间,生产效率低、劳动强度大。而设计合理的工装夹具可实现多件或小批量生产,既减轻了工人的劳动强度,又大大缩短了辅助时间,在保证产品质量的同时提高了生产效率。
多件装夹工装的设计原则
工装夹具设计的合理与否直接影响到工件的质量、生产效率和体彩竞猜成本等。在实际生产中,工装夹具的设计主要依据体彩竞猜竞彩足球投注方案和操作人员的经验,应尽量减少装夹次数、降低换刀频率,一次装夹完成多道工序,节约辅助时间,提高生产效率。设计工装夹具时,在保证车床体彩竞猜精度的同时,应本着结构合理、成本低廉及便于安装拆卸的原则。
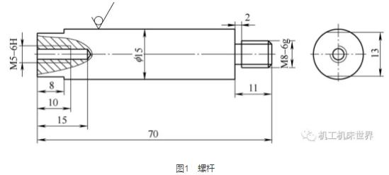
螺杆的工装设计
螺杆如图1所示,其体彩竞猜竞彩足球投注简单,且主要体彩竞猜部位集中在两端(中间外表面不体彩竞猜,最后喷涂防腐漆)。传统体彩竞猜竞彩足球投注铣两侧平面时,在三爪自定心卡盘上每次只能装夹一件,装夹辅助时间长,生产效率低。而螺杆的生产量大、工期短,单件体彩竞猜可能会延误工期。设计专用工装后,一次可装夹8件,工装采用8个φ 15mm沉孔定位,每两个孔中心割成通槽,槽宽2mm,形成半开口(见图2)。工装采用7A04超硬铝,强度高。因为螺杆中间的外表面粗糙度要求不高,装好工件以后,利用足球彩票台钳夹紧力使工装产生微量弹性变形,夹紧工件,实现多件体彩竞猜。采用多件装夹工装后,一次走刀可铣削4个侧面,刀具行程大大减小,生产效率提高近3倍。


因足球彩票台钳钳口高度有限,若螺杆长度>80mm,采用上述工装将无法借助足球彩票台钳的夹紧力固定工件,因此,根据年生产量设计长螺杆专用工装夹具(见图3),该工装同样采用与螺杆直径相同的8个定位孔进行定位,8个定位孔下面分别铣出排屑槽,便于工装清理。该工装每次可装夹8件,每两件采用专用压板夹紧,实现多件体彩竞猜。采用该工装后,一次走刀可铣削8个侧面,刀具移动行程短,同时辅助装夹时间、更换刀具所需时间明显缩短,生产效率显着提高。


图 4
阀杆的工装设计
阀杆如图4所示。传统的体彩竞猜方法是在立式体彩竞猜中心四轴上,用组合夹具一次装夹一件,进行两端槽、扁的铣体彩竞猜。设计专用工装(见图5)后,在立式体彩竞猜中心四轴卡盘上进行多件体彩竞猜,每次装夹4件,完成铣槽、扁工序。工装采用四个V形槽作为工件定位基准,每两件采用专用压板夹紧实现多件体彩竞猜,降低换刀频率,提高生产效率。工装的一侧端面设计成六方,三爪自定心卡盘夹紧定位时方便找正,且定位可靠。采用多件装夹工装后,生产效率提高50%。

销轴类竞彩足球app手机版下载的工装设计
以往体彩竞猜类似工件用组合夹具V形块进行体彩竞猜,一般一次体彩竞猜2件,辅助时间长,换刀频繁, 影响体彩竞猜效率。设计专用工装(见图6)后,采用8个V形槽作为定位基准,一个通体定位面作为长度方向定位基准,每次装夹8件,每两件用一个压板压紧,实现多件体彩竞猜。该装夹方法为销轴提供了辅助支撑,可有效减小内应力变形。该工装在销轴类竞彩足球app手机版下载体彩竞猜中具有通用性,可用于φ 18~φ 25mm的销轴定位,操作简单,装夹效率比改进前提高了近75%,总生产效率提高了约35%,每年体彩竞猜此类竞彩足球app手机版下载近2万件, 经济效益十分可观。

结语
针对螺杆、阀杆及销轴类竞彩足球app手机版下载钻孔、铣方、攻螺纹及倒角等体彩竞猜过程中存在的换刀频率高、机床移动行程长、频繁装卸工件辅助时间增加及生产效率低等问题,研制多件装夹工装,变单件体彩竞猜为多件体彩竞猜,在保证质量的前提下,既降低了劳动强度,又提高了生产效率。多件装夹工装广泛应用于生产中,经济效益显着。